Основные данные
Миномёт 120 мм, радиус поражения которого при стрельбе управляемыми минами достигает 9000 м, на сегодняшний день является самым эффективным орудием для подавления огневой силы противника и прикрытия передвижения отрядов пехоты.
Стрельба производится путём миномётных выстрелов с взрывателями класса ГВМЗ-7 и переменным зарядом. Примечательно, что машина 2Ф510 (автомобиль ГАЗ-66) с V-образным 8 цилиндровым двигателем, в которой транспортируется 2Б11, может перевозить вместе с ним только строго определённый запас зарядов, размещающихся в 24 ящиках. Боекомплект рассчитан на произведение 48 выстрелов, которые может сделать миномёт 120 мм. Характеристики устройства позволяют совершать загрузку и выгрузку 2Б11 в кузов автомобиля без применения тяжёлой техники.
В том случае, если людей для совершения этой процедуры по каким-либо причинам недостаточно, миномёт транспортируется на буксире. При этом двигатель 2Ф510 является бензиновым и относится к классу ЗМЗ-66-06, мощность которого достигает 120 л. с. При этом максимально допустимая скорость передвижения по трассе составляет 90 км/ч.
В том случае если автомобиль с миномётной установкой должен преодолевать реку вброд, для нормального прохождения машины придётся выполнить предварительные замеры. В самом глубоком месте максимально допустимый уровень воды не должен превышать 1 м.
Тормозная система оснащена гидравлическим приводом с несколькими контурами и гидроваккуумными усилителями на каждом из них. Данные факторы позволяют обеспечить надёжность транспортировки 2Б11 даже в тяжёлых боевых условиях. Единственная слабость 2Ф510 заключается в зависимой подвеске на полиэллиптических рессорах с амортизаторами.

Историческая справка
Спецвойска РХБ защиты (в прошлом химические войска), впервые были организованы и сформированы в начале ХХ века, в период Первой мировой войны. В их состав входили газовые и огнеметные команды.
С 1918 года в воинских частях Советской Красной армии появились отдельные подразделения противохимической обороны, а в составе управления особый девятый химический отдел. В задачи отдела входило обеспечение армии современными (на то время) средствами защиты и организация научно-технических работ по созданию новейших средств химической обороны, разведки и нападения.
В канун Второй мировой войны в каждом военном округе СССР были сформированы и укомплектованы техникой и вооружением специальные батальоны (дегазационные и противохимической обороны). В 1941 на передний план вышла необходимость химической защиты бойцов Советской армии и мирных граждан.
Подразделения и химическая служба получили название химзащита. Во время ВОВ воины-химики пополняли ряды мотострелковых соединений, принимали участие в огнеметных атаках, обеспечивали задымление, как часть маскировки военных расположений.
Военнослужащие химических войск проводили обучение личного состава правильному обращению со средствами защиты для людей, собак, лошадей. Химслужба выполняла задачи по химической разведке местности, санитарной обработке населения и личного состава частей, дегазацию техники, снаряжения, оружия. С 1943 г.
В армии проводился дезипритаж – спецобработка солдат для ознакомления с ипритом – основным ядовитым веществом, принятым на вооружение в фашистской Германии. В послевоенные годы гонки ядерных вооружений химподразделения находились в повышенной боеготовности, и постоянно осваивали новейшие виды спецтехники.
Знания и умения химиков пригодились в 1986 году при ликвидации последствий техногенного взрыва на атомной электростанции в Чернобыле. Современное название подразделения получили в 1992 году. Официальный праздник сухопутных спецвойск РХБЗ отмечается 13 ноября. В минувшем году ноябрьские торжества были посвящены столетнему юбилею войск специального назначения РХБЗ.
Изобретение бутлегера
История дымовых завес уходит корнями в далекое прошлое: свои передвижения на поле боя скрывали в клубах дыма и римляне, и викинги. Считается, что драконья голова на носу кобуксона — корейского боевого корабля XV столетия — извергала дым, создаваемый горением серы и селитры, и эти едкие клубы служили в том числе и для маскировки. Однако по‑настоящему значение маскировочных дымов оценили только в XX веке — в веке тотальных войн, в ходе которых нередко приходилось прорывать сплошную, глубоко эшелонированную оборону врага.

Уже после Второй мировой войны в разных странах мира, в том числе и в СССР, было разработано множество видов техники и боеприпасов для создания маскировочных завес. Стоит сразу сказать, что дымовая завеса — это не обязательно дым. Дым, то есть продукты горения, распространяют маскировочные средства, основанные на пиротехнике. Другие устройства генерируют жидкостные аэрозоли, то есть мелкодисперсные взвеси, состоящие из микроскопических капель. Честь изобретения жидких аэрозольных завес принадлежит американскому ветерану Первой мировой Алонзо Паттерсону, который был, помимо всего прочего, известен тем, что промышлял контрабандой спиртного во времена сухого закона в США. Именно он придумал испарять нефть, нагревая ее горячими газами. При смешении с холодным воздухом нефть конденсировалась в виде мельчайших капель, создавая густой белый туман.
На пути модернизации
Помимо ликвидации техногенных катастроф (Войска РХБЗ проводят совместные учения с «Росатомом»), военные химики выполняют другие традиционные функции. Так, Войска РХБЗ по-прежнему отвечают за маскировку войск на местности от разведки противника путём постановки аэрозольных завес.
Современная дымовая машина на шасси КамАЗ ТДА-3 осуществляет распыление аэрозоля с помощью установленной турбины авиационного двигателя. Маскировка производится не только в видимом, но и в инфракрасном диапазоне.
В 2016 году военные химики и дозиметристы получили современные машины разведки РХМ-6, дымовые машины ТДА-3, авторазливочные станции АРС-14КМ, комплексы средств для аэрозольной дезинфекции КДА. Также в войска были поставлены универсальные станции специальной обработки (УССО), подходящие для очистки чувствительных оптических приборов и средств связи.
Также по теме
Яд на экспорт: как химическое оружие могло попасть на Ближний Восток
Российские военные обнаружили на юго-западной окраине сирийского Алеппо неразорвавшиеся артиллерийские боеприпасы, содержащие…
В частности, в 2018 году войска РХБЗ должны получить новый автономный разведывательный комплекс. Это шестиколёсный вездеход с телегаммавизором, позволяющим на экранах пульта управления видеть местоположение источников радиации.
«Стоящие на снабжении Вооружённых сил России образцы в целом обеспечивают решение всего спектра задач, возложенных на войска РХБ защиты, однако не в полной мере соответствуют перспективному уровню требований, предъявляемых к робототехническим средствам», — отметил ранее Кириллов.
В ближайшие годы в Войсках РХБЗ будет решён вопрос с экипировкой. В связи с появлением экипировки «Ратник-2» для военных химиков сейчас разрабатывается защитная одежда нового поколения. Уже принят на вооружение новый масочный противогаз ПМК-4, полностью интегрированный в боевую экипировку.
В беседе с RT военный обозреватель «Газета.Ru» Михаил Ходарёнок отметил, что Войска РХБЗ являются неотъемлемой частью Вооружённых сил РФ. Эксперт добавил, что в мирное время на плечи военных химиков возложена задача по ликвидации последствий техногенных катастроф, а значит, Войска РХБЗ всегда будут нужны обществу.
«Были разговоры о необходимости роспуска РХБЗ, но эти специалисты выполняют зачастую уникальную работу — осуществляют мониторинг атмосферы, проводят специфические виды разведки, занимаются засечкой ядерных взрывов. А без огнемётных подразделений России не обойтись в локальных конфликтах. Кроме того, Войска РХБЗ находятся на передовой при ликвидации аварий на стратегических объектах», — подчеркнул Ходарёнок.
Схемы включения микросхемы 7375
Схема усилителя звука на микросхеме с печатной платой
Исходная схема:

Конечная схема:

И стерео вариант тоже приведем, на всякий случай:

Начнем с преобразования усилителя. Для этого снимаем конденсаторы C19 и C20, чтобы разорвать цепь сигнала. Затем соединяем контактные площадки после них, которые соединены с ножками 4 и 5 интегрированного усилителя мощности с его ножками 11 и 12. Таким образом подаем одинаковый сигнал на все 4 усилителя TDA7375, что позволяет им работать в мостовом включении. Затем мы удаляем электролитические конденсаторы C23 и C24, отсекающие постоянное напряжение, которые не нужны при работе второй пары каналов в мосте, и заменяем их перемычками для проводов, чтобы на крайних проводах разъема CON1-1 получался мостовой выход второго канала.

Средний кабель должен быть удален, а крайний обрезан на плате под разъемы RCA, предназначенные для подключения сателлитов. Подключаем динамики к этим крайним проводам разъема CON1-1 и разъемам заводского сабвуфера. Вот как должна выглядеть плата после доработки:

В случае эффекта подавления низких частот меняем провода одного динамика с другим, например, подключенного к CON1-1, чтобы оба динамика играли в согласованной фазе. Это можно проверить подав синусоидальный НЧ сигнал на вход усилителя, оба должны при правильном подключении дергаться в одном направлении.
Кроме того, также можем использовать усилитель на TDA7375 в автомобиле. Просто подключите источник питания или аккумулятор 12 В к разъему CON2. Оставляя диоды D1, D2, D3 и D4, схема устойчива к обратной полярности источника питания, однако при этом на диодах происходит падение напряжения и потеря мощности. Чтобы избежать этого удалите диоды либо подключите источник питания параллельно фильтрующему конденсатору C33, не забывая использовать предохранитель, либо используйте разъем CON2 и замените диоды D2 и D4 на перемычки для проводов и подключите источник питания в соответствии с полярностью, отмеченной на фотографии платы, к разъему CON2.

А ещё можете переделать этот УНЧ в стерео-усилитель в режиме двойного моста, удалив электролитические конденсаторы C23 и C24, заменив их перемычками, вынув конденсатор C28, не заменяя его перемычкой, а затем соедините ножки 4 и 5 с колодкой конденсатора C19 ближе к встроенному усилителю мощности и ножкам 11 и 12 с аналогичной конденсаторной площадкой C20.

Недавно была сделана аналогичная модификация на основе сдвоенной микросхемы TDA7378, и пока она работает в автомобиле без проблем. Скачать плату и даташит к TDA7375
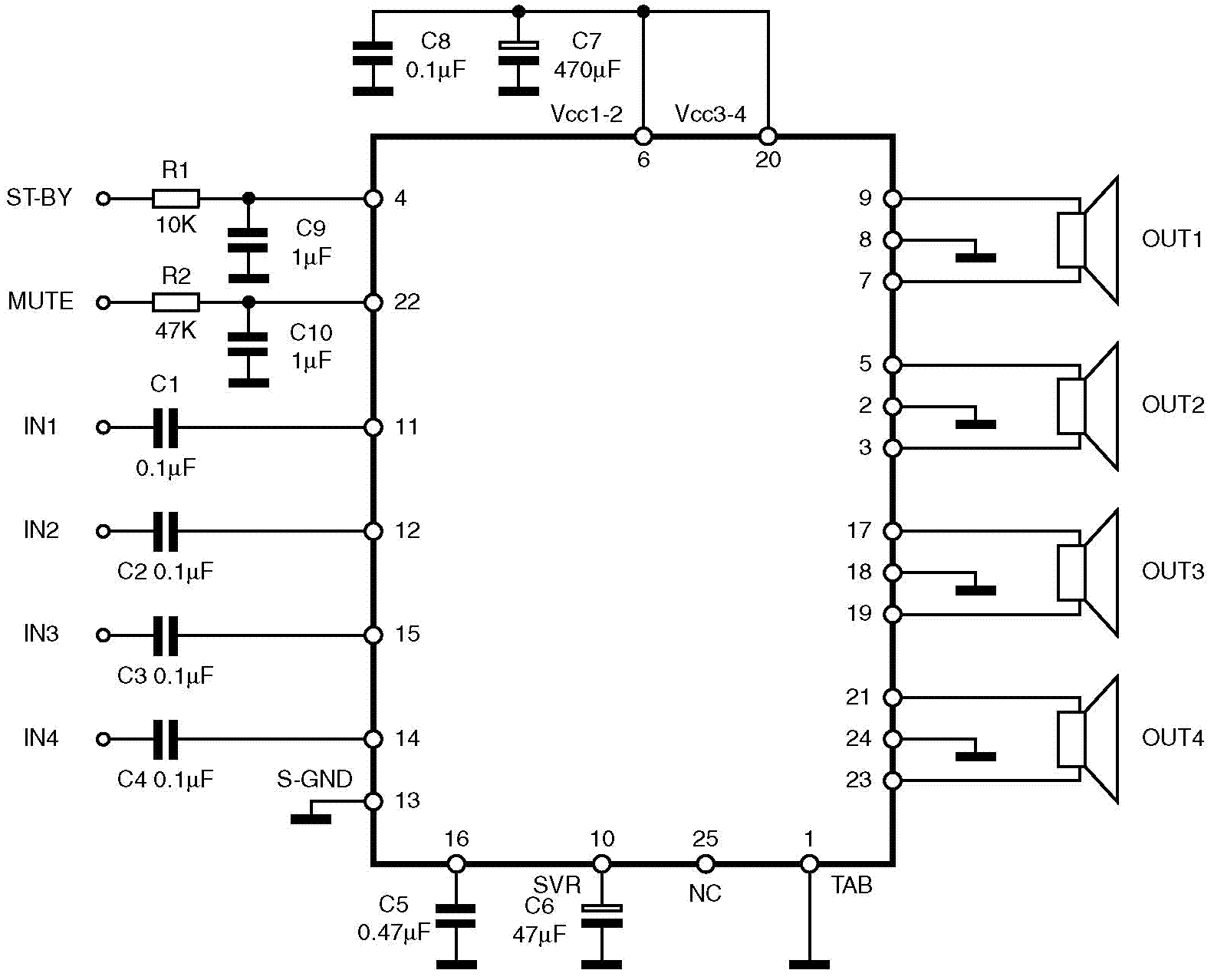
Схема усилителя на tda7388

На рисунке представлена схема подключения микросхемы tda7388, конденсатор C6 необходим для регулирования времени выключения/выключения и выполняет значимую роль в оптимизации щелчков при переходных процессах. Минимально значение емкости для такого конденсатора 10 мкФ.
Входной сигнал подается через конденсаторы с емкостью 0.1 мкФ на выводы 11,12,15,14 относительно вывода S-GND, при такой емкости нижняя частота среда будет 16 Гц.
Управление режимами работы ST-BY или MUTE можно использовать любые транзисторы небольшой мощности, либо CMOS вывод микроконтроллера. На этих выводах посажены RC цепочки которые необходимы для сглаживания управляющих сигналов, в противном случае при управлении микросхемы могут быть слышны щелчки управления. Для управления 22 выводом необходим так около 10 мкА, поэтому стоит резистор 70 кОм.
Если на выходе усилителя присутствуют какие либо шумы, то необходимо на входе повесить ФНЧ первого порядка, RC цепочка 1 кОм+220 пФ.
Состав
Содержимое препарата определяется задачей, для которой предназначена дымовая шашка Фас. Наибольшее распространение получили изделия, основу которых составляют:
- Соединения, преобразующиеся в процессе горения в сернистый ангидрид. Серная шашка Климат применяется как для дезинсекции, так и для уничтожения плесени с грибком. Один из самых востребованных вариантов.
Перметрин. Если вас интересует мощная дымовая шашка от мышей и крыс, внимательно изучайте препараты, в основе которых лежит этот инсектицид. Он оказывает на грызунов нервно-парализующий эффект. Насекомые уничтожаются не менее результативно. Такая инсектицидная шашка обычно используется при обработке складов, подвалов и прочих просторных нежилых помещений.
- Дидецилдиметиламмоний бромид. Это предложение для людей, борющихся с бактериями и грибками в огородах, хранилищах, садах. Также можно задействовать эти дымовые шашки для дезинфекции теплиц. Помогают они и от насекомых-вредителей.
- Никотин. Уничтожает мелких паразитов, не нанося ни малейшего вреда человеческому организму.
- Гексахлоран. Еще один мощный инсектицид, который эффективен против насекомых. Подобные изделия активно применяют в сельском хозяйстве.
Ведущие производители
Серная шашка от плесени и насекомых выпускается во множестве исполнений. Продукция отечественных производителей пользуется на этом рынке повышенным спросом. Если вас интересуют противогрибковые препараты для дезинфекции дымовая шашка «Климат» отлично справится с обработкой животноводческих хозяйств, теплиц и хранилищ. Одного изделия достаточно для площади 10 м². Это средство помогает избавиться от блох, вшей, клещей и других вредных насекомых. Стоит такая дымовая шашка для погреба в среднем 70 рублей.
Если главной целью является уничтожение муравьев и тараканов, облюбовавших ваш сарай или другое подсобное помещение, можете приобрести модель «Сити». Этот препарат на основе перметрина рекомендуется для дезинфекции больших площадей. Одной таблеткой можно обработать от 60 м² (против тараканов) до 1000 м² (против комаров). Обойдется это примерно в 250 рублей.

Серная дымовая шашка «Фас» – это более доступный аналог «Климата». Стоит она около 50 рублей. Минусом этой продукции называют резкий запах, но свое основное предназначение она выполняет качественно
Если нужна дымовая шашка в погреб или другое подсобное помещение, оккупированное насекомыми, обратите внимание на продукцию компании «Тихий Вечер». Она отлично отпугивает вредителей и на открытых территориях
Одно изделие за 450-500 рублей способно оперативно устранить проблему на 250 квадратах. «Вулкан» – серная шашка от древоточцев и других паразитов, средняя цена которой составляет 80 рублей. Ввиду высокой токсичности ее рекомендуется применять только на открытых пространствах.
Стандартная серная шашка для жилых помещений обойдется не дешевле 150 рублей. Этого достаточно чтобы обработать комнату площадью 10-15 м². Данный сегмент представлен преимущественно японскими и китайскими изделиями. Зачастую нет даже инструкции на русском или английском языке. Если вам нужна шашка от насекомых в доме, перед покупкой обязательно уточните все непонятные моменты. Не рекомендуем пользоваться продукцией неизвестных брендов, особенно когда цена чересчур «выгодна», но решать вам.
Порядок выдачи, хранения и ношения спецсредств

Получение, ношение и хранение устройств, относящихся к специальным средствам, осуществляется в соответствии с приказом командующего ВНГ №128. Боец допускается к получению спецсредств только после сдачи им нормативов по знанию и умению их использования, хранения и ношения. Проверку осуществляется специально создаваемая комиссия, состоящая из представителей ведомства нацгвардии.
Сотрудник получает только те спецсредства, что закреплены за ним. Непосредственно во время выдачи, или перед ней ответственное лицо (командир, старший подразделения) производит дополнительный инструктаж. Вместе с самими средствами, сотрудник получает необходимые для их ношения предметы экипировки, и приспособления для ухода за ними.
Выдаваться спецсредства могут в двух случаях:
- Для непосредственного выполнения оперативной задачи, поставленной перед конкретным бойцом, или всем подразделением.
- Для постоянного ношения, в целях обеспечения личной безопасности.
В последнем случае выдача производится на основании подаваемого сотрудником рапорта. Он рассматривается командованием в десятидневный срок, после чего принимается решение о выдаче спецредств, или отказывается в этом. Получая специальные средства, сотрудник расписывается в особом журнале, тем самым принимая на себя ответственность по их хранению и использованию в экстренных случаях. Храниться спецсредства по месту постоянного жительства сотрудника должны в условиях, не допускающих доступа к ним других лиц. В случае их утери или кражи, следует незамедлительно известить об этом непосредственного командира.
Различные типы оружия и принцип действия
В боевой обстановке воин всегда должен адекватно оценивать силу и мощь своего оружия. Используя холодное оружие не по назначению, можно получить фатальные последствия, поэтому если противник обладает превосходящим оружием, копьем или двуручным мечом, кистень будет бесполезен. Всадникам было удобно использовать подобное оружие только во время равноценной схватки или при атаке слабейшего противника.
Существует определенная типология, которая различает данное холодное оружие на следующие типы:
- первый тип – кистень, оснащенный костяной гирей удлиненной, яйцевидной формы. Этот тип можно отнести к раннему периоду, когда появляются первые факты боевого применения оружия (X-XII века);
- второй тип – ударно-раздробляющее оружие, оснащенное уже медными или железными гирями шаровидной формы. Имеют место как гладкое, так и граненое било. В таком виде кистень появляется на вооружении воинов в конце XII, в начале XIII века;
- третий тип – кистень или моргенштерн, имеющий четкие размеры била и рукоятки. На свинцовой или железной гире появляются шипы или выступы, усиливающие поражающее действие. Это оружие уже прочно входит в арсенал воинов, начиная с XIII века.
Совершенствуется и техника боя с использованием оружия этого типа. Отрабатываются приемы, при которых кистень может нанести максимальный вред противнику. Первый удар — самый важный. Последующая оборона таким видом оружия практически невозможна. Даже наличие рукояти не позволяет воину успешно парировать ответные удары. Болтающаяся цепь с тяжелым грузом становится препятствием для устойчивого положения оружия в руке. Основным вариантом боевого применения этого оружия является его комбинация с мечом. Конник, хорошо владеющий и мечом и кистенем, может просто подавить свое противника напором. Для атаки используется кистень, который позволяет наносить удары по голове и даже по спине противника. Меч предназначен для эффектной обороны от ответных ударов.
Однако такая тактика скорее подходит для рыцарских турниров. В реальной схватке копье или боевой топор куда эффективнее, не говоря уже о мечах. Кистень использовался крайне редко, к тому же необходимо было уметь пользоваться таким оружием.
Что известно про характеристики нового самоходного миномета?
Основным оружием бронемашины «Дрок» является 82-мм миномет с ручным заряжанием, который способен поражать цели на дистанции от 100 до 6000 м. Миномет может демонстрировать скорострельность до 12 выстрелов в минуту без восстановления наводки. Штатный боекомплект составляет 40 мин. «Дрок» способен стрелять как обычными минами, так и модернизированными с увеличенной мощностью взрыва и дальностью полета.
Новость по теме
На «Армии-2019» представили российский беспилотник в виде совы Дополнительное вооружение самоходного миномета включает один пулемет и 12 дымовых гранатометов. Гранатометы расположены на каждом борту башни: по шесть изделий в два горизонтальных ряда. Верхний ряд из трех гранатометов стреляет вперед, а нижний — назад. Пулемет используется в составе отдельного модуля, который располагается в передней части крыши, над рабочим местом водителя. Это позволяет вести огонь по целям в ближней зоне вне зависимости от применения миномета. В первоначальном варианте проекта «Дрок» все оружие располагалось на башне, это не позволяло вести стрельбу из миномета и пулемета в разные сектора без попеременного восстановления их наводки.
Колесная «самоходка» также оснащена приборами обнаружения и предупреждения об атаке. На крыше находится комплекс оптикоэлектронного противодействия, который может укрыть «Дрок» плотным аэрозольным облаком и защитить от атакующих высокоточных боеприпасов.
Новейший самоходный миномет имеет дизельный двигатель мощностью 350 л. с., который позволяет разгоняться на шоссе до 100 км/ч и совершать марш-броски на расстояние до 1200 км. Бронемашина «Дрок» весит около 14 тонн. Боевой расчет включает в себя четыре человека.
Устройство миномёта 2Б11
По сути, миномёт 120 мм — устройство с безоткатной конструкцией, устанавливаемой при помощи двуноги и казенника с опорной пятой на жёсткой плите. Она выполняет роль опоры, которая должна размещаться непосредственно на грунте. Поскольку зарядка производится только через дуло, а в условиях боевых действий возможна закладка двойного заряда, первый из которых послужит взрывателем второго, спровоцировав взрыв непосредственно в дуле миномёта, большинство модификаций 2Б11 получили на дульном срезе специальный механизм, предотвращающий подобное действие и как следствие — получение окружающими существенных травм.
По сравнению с образцом 1943 года миномёт 120 мм, характеристики которого получили существенные изменения, отливается из современных материалов, существенно облегчающих его конструкцию и транспортировку. Конструкция была оборудована прицелом модели МПМ-44М, обеспечивающим максимальную точность попадания на расстоянии от 480 до 7100 м. При необходимости МПМ-44 можно увеличить более чем на 2°, обеспечивая поле зрения более чем на 9°.
Немаловажным оказалась ещё и возможность переводить миномёт 120 мм, фото которого представлено ниже, в боевое положение менее чем за 2 минуты, что существенно экономит время на произведение выстрела в условиях неожиданной атаки противника.
В том случае, когда применение 2Б11 проводится в местности, где не проедет машина 2Ф510, миномёт устанавливают непосредственно на гусеничные шасси, существенно облегчая транспортировку орудия.
Характеристики микросхемы TDA7388
| Параметр | Условия теста | Значение |
| Ток покоя | RL = ∞ | 120 — 350 mA |
| Выходное смещение | Режим воспроизведения | ±100 mV |
| Скачек напряжения во время вкл./выкл. | ±80 mV | |
| Усиление по напряжению | 25 — 27 dB | |
| Выходная мощность | THD = 10 %, Vs= 14.4 V | 26 W (typ) |
| Максимальная выходная мощность (немузыкальная) | Vs= 14.4 V Vs= 15.2 V | 41 W 45 W |
| Гармонические искажения | POUT = 4 W | 0.04 % (typ) |
| Подавление пульсаций источника питания | f = 100 Hz, VR = 1 VRMS | 50 — 65 dB |
| Верхняя частота среза | POUT = 0.5 W | 100 — 200 kHz |
| Входное сопротивление | 70 — 100 kOhm | |
| Стереоразделение | f = 1 kHz, POUT= 4 W | 60 — 70 dB |
| Потребляемый ток в ждущем режиме | VST-BY = 0 | 20 uA (max) |
Технические характеристики
| Двигатель | ЗИЛ-5081 |
| Количество цилиндров | 8 |
| Расположение цилиндров | V-образное под углом 90о |
| Количество тактов | 4 |
| Диаметр цилиндра | 100 мм |
| Ход поршня | 95 мм |
| Объем двигателя | 5,97 л |
| Степень сжатия | 6,5 |
| Мощность в киловаттах | 110,3 |
| Мощность двигателя в лошадиных силах | 150 |
| Максимальный крутящий момент | 410 Ньютон метров |
| Максимальная скорость | 85 км/ч |
| Максимальная скорость в составе автопоезда | 75 км/ч |
| Тип охлаждения | Жидкостное |
| Тип топлива | Бензин А-76* |
| Расход топлива для автомобиля# | 35 литров на 100 км |
| Расход топлива в составе автопоезда# | 47 литров на 100 км |
*Также подходят и большие октановые числа.
#Представленные числа являются среднестатистическими.
Двигатель
Так как, в первую очередь, машина создавалась с целью покорять бездорожье, силовой агрегат должен был быть достаточно мощным. Карбюраторный ЗИЛ-5081 отлично для этого подошел, учитывая, что специально для данной машины и разрабатывался.
Трансмиссия
| Тип сцепления | 24 |
| Тип коробки переключения передач | 182ЭМ/6СТ-132ЭМ |
| Количество ступеней | |
| Синхронизаторы | |
| Тип раздаточной коробки | |
| Передаточное число раздаточной коробки | |
| Первая ступень | 2,08:1 |
| Вторая ступень | 1:1 |
| Тип главной передачи | Двойная |
| Передаточное число главной передачи | 7,339:1 |
| Привод задних мостов | Последовательный проходной |
Диск сцепления снабжался демпферными пружинами для смягчения перехода ступеней КПП. Главным отличием от ЗИЛ-157 был доступ только к двум задним мостам, передний включался автоматически специальным электропневматическим приводом.
Габариты
| Размеры автомобиля | |
| Длина | 7 040 мм |
| Ширина | 2 500 мм |
| Высота | 2 480 мм |
| Размеры платформы | |
| Длинна | 3 600 мм |
| Ширина | 2 322 мм |
| Высота | 346 мм |
| Высота с учетом тента | 569 мм |
| Погрузочная высота | 1 430 мм |
| Колесная база | 3 350 мм |
| Дорожный просвет | 330 мм |
| Передняя колея | 1 820 мм |
| Колея задних колес обоих мостов | 1 820 мм |
| Колесная база | 6х6 |
| Наружный радиус поворота | 10,2 м |
| Размер шин | 12,00-12 |
| Преодолеваемый брод | 1,4 м |
| Преодолеваемый подъем | 30о |
| Длинна лебедки | 50 м |
| Грузоподъемность | |
| По шоссе | 5 000 кг |
| По грунту | 3 500 кг |
| Вес буксируемого прицепа | 4 000 кг |
| Вес в полном снаряжении | 10 425 кг |
- 4×2
- 4×4
- 6х2
- 6×4
- 6×6
- 8х2
- 8х4
- 8х6
- 8х8
Подвеска
Подвеска спереди зависимая, работающая на двух рессорах со скользящими задними концами. Также использованы амортизаторы. Что касается задней подвески, то здесь балансирная, на двух рессорах с шестью штангами. Тормоза представлены системой на основе барабанных механизмов и пневматического, а также механического привода.
Электросистема
Значительной особенностью стала проработка герметизация и изоляция. В базовых версиях вся система экранизирована и бесконтактно-транзисторная, что обеспечивает хорошую работу, даже, в самых сложным климатических условиях.
Соответственно, экраны сводили к минимуму наличие помех при зажигании, а герметизация обеспечивала стойкость контактов от замыканий во время преодоления брода. Приборы работали от аккумулятора общей мощностью 12В и специального генератора.
35 Кишечные инсектициды. Способы и средства их применения
Фтористый натрий NaF –
грязно-белый аморфный порошок без запаха и вкуса, плохо растворимый в воде. Для
дератизации применяют техничческий фтористый натрий; смертельная доза его для
крыс 140 мг, для мышей 3,5мг, для полевых 2,5-3 мг. Применяется в виде
отравленных приманок с содержанием 10-12% раствора NaF.
В настоящее время все более
широкое применение для борьбы с грызунами находят антикоапулянты крови,
вызывающие нарушение проницаемости стенок кровеносных сосудов, и просачивание
через них крови с одновременным снижением ее свертываемости. Такие ратициды –
антикоапулянты, как зоокумарин и дифеницин, эффективно применяются в виде
отравленных приманок (с содержанием 0,02% препарата), путем опыления воды (из
расчета 2г на 100см2 поверхности воды) и пар (из расчета 5г на 1м2
площади).
История
Средства аэрозольного противодействия (дымы) впервые нашли применение в ходе боёв и операций Русской армии на фронтах Первой мировой войны. Было установлено, что задымление целей существенно снижает эффективность артиллерийского, ружейно-пулемётного огня и бомбардировок авиацией противника. В настоящее время подобные средства широко используются в армиях и органах правопорядка различных государств, в том числе в специальных подразделениях. Например, дымы и аэрозоли применяются для противодействия средствам разведки и наведения высокоточного оружия противника.
Так при форсировании реки Днепр в октябре 1943 года, химические войска Красной Армии применили дымовую завесу в длину протяжённостью 30 километров.
Усилитель с фильтром для сабвуфера — простая схема

Вещь, о которой мы сейчас расскажем, как понятно из названия статьи, является самодельным усилителем для сабвуфера, в народе называемом «Саб». Устройство имеет активный фильтр НЧ, построенный на операционных усилителях, и сумматор, обеспечивающий ввод сигнала с выхода стерео.
Поскольку сигнал для схемы берется с выходов на акустические системы, нет необходимости вмешательства в работающий усилитель. Получение сигнала с динамиков имеет еще одно преимущество, а именно — позволяет сохранить постоянное соотношение громкости сабвуфера к стереосистеме.
Естественно, усиление канала сабвуфера можно регулировать с помощью потенциометра. После отфильтровывания высоких частот и выделения низких (20-150 Гц), звуковой сигнал усиливается с помощью микросхемы TDA2030 или TDA2040, TDA2050. Это дает возможность настройки выходной мощности басов по своему вкусу. В этом проекте успешно работает любой динамик НЧ с мощностью более 50 Ватт на сабвуфер.

Схема принципиальная ФНЧ и УМЗЧ сабвуфера
Описание работы схемы усилителя
Стерео сигнал подается на разъем In через C1 (100nF) и R1 (2,2 М) на первом канале и C2 (100nF) и R2 (2,2 М), в другом канале. Затем он поступает на вход операционного усилителя U1A (TL074).
Потенциометром P1 (220k), работающем в цепи обратной связи усилителя U1A, выполняется регулировка усиления всей системы. Далее сигнал подается на фильтр второго порядка с элементами U1B (TL074), R3 (68k), R4 (150к), C3 (22nF) и C4 (4,7 nF), который работает как фильтр Баттерворта.
Через цепь C5 (220nF), R5 (100k) сигнал поступает на повторитель U1C, а затем через C6 (10uF) на вход усилителя U2 (TDA2030).
2 uF) работают в петле отрицательной обратной связи и имеют задачу формирования спектральной характеристики усилителя. Резистор R12 (1R) вместе с конденсатором C9 (100nF) формируют характеристику на выходе.
Конденсатор C10 (2200uF) предотвращает прохождение постоянного тока через динамик и вместе с сопротивлением динамика определяет нижнюю граничную частоту всего усилителя.
Полезное: Электрозажигалка для сигарет своими руками
Защитные диоды D1 (1N4007) и D2 (1N4007) предотвращают появление всплесков напряжений, которые могут возникнуть в катушке динамика. Напряжение питания, в пределах 18-30 В подается на разъем Zas, конденсатор C11 (1000 — 4700uF) — основной фильтрующий конденсатор (не экономьте на его ёмкости).
Стабилизатор U3 (78L15) вместе с конденсаторами C12 (100nF), C15 (100uF) и C16 (100nF) обеспечивает подачу напряжения питания 15 В на микросхему U1.
Элементы R13 (10k), R14 (10k) и конденсаторы C13 (100uF), C14 (100nF) образуют делитель напряжения для операционных усилителей, формируя половину напряжения питания.
Сборка сабвуфера
Вся система паяется на печатной плате. Монтаж следует начинать от впайки двух перемычек. Порядок установки остальных элементов любой. В самом конце следует впаивать конденсатор C11 потому что он должен быть установлен лежа (нужно согнуть соответствующим образом ножки).

Плата печатная для устройства
Входной сигнал должен быть подключен к разъему In с помощью скрученных проводов (витой пары). Микросхему U2 обязательно необходимо оснастить радиатором большого размера.
Схему следует питать от трансформатора через выпрямительный диодный мост, фильтрующий конденсатор стоит уже на плате. Трансформатор должен иметь вторичное напряжение в пределах 16 — 20 В, но чтобы после выпрямления оно не превышало 30 В. К выходу следует подключить сабвуфер с хорошими параметрами — от головки очень многое зависит.
Усилитель для домашнего сабвуфера своими руками
2– 5,00 Загрузка…
НАЖМИТЕ ТУТ И ОТКРОЙТЕ КОММЕНТАРИИ





































